In detail: do-it-yourself repair of a 220-volt LED lamp from a real master for the site my.housecope.com.
With a variety of lighting devices on the counters of the country, LEDs remain out of competition due to their efficiency and durability. However, a high-quality product is not always purchased, because in a store you cannot disassemble the goods for inspection. And in this case, it is not a fact that everyone will determine from what parts it is assembled. Lamps burn out, and it becomes expensive to buy new ones. The solution is to repair LED lamps with your own hands. This work is within the power of even a novice home craftsman, and the details are inexpensive. Today we will figure out how to check the lighting device, in what cases the product is repaired and how to do it.
It is known that LEDs cannot work directly from a 220 V network. To do this, they need additional equipment, which, most often, fails. We will talk about him today. Consider the circuit of an LED driver, without which the operation of the lighting device is impossible. Along the way, we will conduct an educational program for those who do not understand anything in electronics.
The 220V LED lamp driver circuit consists of:
- diode bridge;
- resistances;
- resistors.
The diode bridge serves to rectify the current (converting it from alternating to direct current). On the graph, this looks like a cut-off of a half-wave of a sine wave. Resistances limit current, and capacitors store energy by increasing the frequency. Consider the principle of operation on the circuit of a 220 V LED lamp.
Having understood the principle of operation and the driver circuit, the decision on how to fix a 220V LED lamp will no longer seem difficult. If we talk about high-quality lighting devices, then you should not expect trouble from them. They work for the entire prescribed period and do not fade, although there are "diseases" to which they are also susceptible. Let's talk about how to deal with them.
| Video (click to play). |
To make it easier to understand the reasons, we summarize all the data in one common table.
Good to know! Repair of LED fixtures is impossible to carry out indefinitely. It is much easier to eliminate negative factors affecting durability and not to purchase cheap products. Savings today will cost you tomorrow. As economist Adam Smith said, "I'm not rich enough to buy cheap things."
Before you repair an LED lamp with your own hands, pay attention to some details that require less labor. Checking the cartridge and the voltage in it is the first thing to do.
Important! Repair of LED lamps requires a multimeter - without it, it will not be possible to ring the driver elements. A soldering station is also required.
A soldering station is required for the repair of LED chandeliers and lighting fixtures. After all, overheating of their elements leads to failure. The heating temperature during soldering should be no higher than 2600, while the soldering iron heats up more. But there is a way out. We use a piece of copper core with a cross section of 4 mm, which is wound around the tip of the soldering iron with a tight spiral. The more you lengthen the sting, the lower its temperature. Convenient if the multimeter has a thermometer function. In this case, it can be adjusted more precisely.
But before you repair LED spotlights, chandeliers or lamps, you need to determine the cause of the failure.
One of the problems that a novice home craftsman faces is how to disassemble an LED light bulb. To do this, you need an awl, solvent and a syringe with a needle. The diffuser of the LED lamp is glued to the body with a sealant that must be removed.Passing carefully along the edge of the diffuser with an awl, inject the solvent with a syringe. After 2 ÷ 3 minutes, lightly twisting, the diffuser is removed.
Some lighting fixtures are made without gluing with a sealant. In this case, it is enough to turn the diffuser and remove it from the housing.
Having disassembled the lighting fixture, pay attention to the LED elements. Burned is often identified visually: there are burn marks or black dots on it. Then we change the faulty part and check the functionality. We will describe the replacement in detail in the step-by-step instructions.
If the LED elements are in order, go to the driver. To check the performance of its parts, you need to solder them from the printed circuit board. The value of the resistors (resistances) is indicated on the board, and the parameters of the capacitor are indicated on the case. When dialing with a multimeter in the appropriate modes, there should be no deviations. However, often failed capacitors are determined visually - they swell or burst. The solution is to replace it with a suitable one in terms of technical parameters.
Replacing capacitors and resistances, unlike LEDs, is often performed with a conventional soldering iron. In this case, you should be careful not to overheat the nearest contacts and elements.
If you have a soldering station or a hair dryer, this job is simple. It is more difficult to work with a soldering iron, but it is also possible.
Good to know! If there are no working LED elements at hand, you can install a jumper instead of the burnt one. Such a lamp will not work for a long time, but it will be possible to win some time. However, such repairs are made only if the number of elements is more than six. Otherwise, the day is the maximum work of the repair product.
Modern lamps run on SMD LED elements that can be soldered out of an LED strip. But it is worth choosing those that are suitable for technical characteristics. If there are none, it is better to change everything.
Related article:
If the driver consists of smaller SMD components, use a copper wire soldering iron on the tip. A visual inspection revealed a burnt element - we solder it and select the one that matches the marking. No visible damage is more difficult. We'll have to solder all the details and ring them separately. Having found the burnt one, we change it to a workable one and mount the elements in place. It is convenient to use tweezers for this.
Useful advice! Do not remove all elements from the PCB at the same time. They are similar in appearance, you can later confuse the location. It is better to solder the elements one at a time and, after checking, mount them in place.
When installing lighting in rooms with high humidity (bathroom or kitchen), stabilizing power supplies are used, which lower the voltage to a safe one (12 or 24 volts). The stabilizer can fail for several reasons. The main ones are excessive load (power consumption of the luminaires) or the wrong choice of the degree of protection of the unit. Such devices are repaired in specialized services. At home, this is unrealistic without the availability of equipment and knowledge in the field of radio electronics. In this case, the power supply unit will have to be replaced.
Very important! All work on replacing the stabilizing LED power supply is carried out with the voltage removed.Do not rely on the switch - it may be incorrectly wired. The voltage is disconnected in the distribution board of the apartment. Remember that touching live parts with your hand is life-threatening.
You need to pay attention to the technical characteristics of the device - the power must exceed the parameters of the lamps that are powered from it. Having disconnected the failed unit, we connect a new one according to the diagram. It can be found in the technical documentation of the device. This is not difficult - all wires are color-coded, and the contacts are letter designation.
Plays the role and degree of protection of the device (IP). For a bathroom, the device must be marked at least IP45.
Related article:
If the reason for the flickering of the LED lamp is the failure of the capacitor (it needs to be replaced), then periodic blinking when the light is off is easier to solve. The reason for this "behavior" of the luminaire is the backlight-indicator on the switch key.
The capacitor located in the driver circuit accumulates voltage, and when the limit is reached, it gives out a discharge. The key backlight transmits a small amount of electricity, which does not in any way affect incandescent bulbs or "halogens", but this voltage is enough for the capacitor to start accumulating it. At a certain moment, it gives out a discharge to the LEDs, after which it switches back to accumulation. There are two ways to solve this problem:
- We take out the key from the switch and turn off the backlight. The method is simple, but indications that add value to the switch are no longer useful.
- We disassemble the chandelier and change the phase wire with zero places on each cartridge. The method is more complicated, but it retains the functionality of the switch. In the dark, you can see it well, and this is a plus.
Not only LED lamps, but also CFLs are susceptible to flashing. The device of their PRU (starting-regulating device) works on a similar principle, which allows the capacitor to store energy.
Consider an example of a simple LED lamp repair:
A decade ago, such a rapid growth in the popularity of LED lighting for apartments and private houses was not expected. Today you will not meet a person who would not use these economical and bright lamps. The only problem remains in the cost of lighting fixtures - such fixtures cannot be called cheap. What if the lamp is out of order? Buy a new one? Not necessary. You can try to repair the lighting fixture. It is precisely the "device", because it is a complex technical device, in contrast to the "Ilyich's lamp". Today we will figure out how to repair LED lamps with our own hands and how difficult it is.
LEDs are the most economical type of lighting - it's hard to argue with that. Such elements are used both in everyday life and in production. Street lighting is gradually moving towards similar energy savings. Light diodes, in addition to efficiency, have another indisputable advantage over other types of lighting devices - they have no competitors in terms of durability. But they cannot work directly from a network with an alternating current of 220 V. This requires a special device called a driver.
The circuit of a 220 V LED lamp includes a device that is compact enough and fits in the base. There is nothing more complicated in the lighting device, however, the driver, performing work to stabilize the voltage, often fails.Burnt-out LEDs are not difficult to replace, it is enough to own a soldering iron at the "just learned" level. But today we will figure out how to repair drivers.
The general principle of operation of LED lamps is as follows. The alternating current of the network enters an electronic device - a driver that stabilizes voltage drops. Direct current is directed to LEDs, which emit the light we see.
Related article:
If we simplify such a system, we get a 220 V LED lamp driver circuit, which includes two damping resistors that stabilize the voltage. LEDs are connected in different directions, which protects against reverse voltage. The flicker frequency doubles - from 50 to 100 Hz.
Power in such a circuit is fed through a limiting capacitor to a rectifier (diode bridge), and only then to the elements. We simplify the system. We change one light diode to a rectifier. The lamp works, but the frequency of the current, instead of increasing, decreases by 2 times and becomes equal to 25 Hz, which leads to a sensitive flickering of the lighting fixture. It is harmful to vision, impairs health, increases fatigue and causes headaches.
However, there are LED lamps at a completely different cost. For example, GENILED SDL-KS 80W 07077, 80 W power and 4700K color temperature. Its cost can be surprising. It is equal to 10,200 rubles.
Often the reason for the failure of an LED lamp is improper operation or sudden voltage drops in the network. Let's take a look at the most common ones:
- A sharp power surge. LEDs in such a situation will remain intact, but the driver may fail;
- Wrong choice of luminaire. If normal ventilation is not provided, the driver overheats, which negatively affects its operation;
- Factory defect or falsification of products. If you come across a too cheap lamp of this type on the counter, you should think about how the low price was achieved;
- Vibration and shock. They are not terrible for LEDs, but for the driver they can be fatal.
Most often, the capacitor fails (the lamp will stop burning), and the current-limiting resistor (sensitive flickering, up to blinking). In order not to buy new equipment, you need to understand how to repair an LED lamp with your own hands.
The driver, which causes failure in 80% of cases, is not necessarily built into the light bulb. The light source can only consist of LEDs, and the stabilizing device will be built into the lamp or chandelier. However, the remaining 20% should not be discounted. It is necessary to check all the details before proceeding with the repair of the ice lamps.
In the case of a separate driver, everything is simpler. We change the lamp, and if it glows, then the problem is in it, if not, the stabilizer is to blame. The situation with the built-in driver is more complicated.
Now the promised secret. To repair LED lamps with an ordinary soldering iron, you need a piece of copper single-core wire, with a cross section of 4 mm², 10 ÷ 15 cm long. "Scapula". The temperature will also depend on the length. Convenient if the multimeter has a thermometer function. For LED SMD components, which are used in LED lamps, a temperature of 240 ÷ 260 ° C is required.
Some devices are not easy to disassemble. When you try to rotate the top, nothing comes out? Then a solvent comes in handy.We put it into a syringe and carefully pass through the needle along the seam. We leave for 5 minutes, after which we repeat the operation. Usually 2 ÷ 3 procedures are enough. Gently swing the upper part by turning left and right. After removing the cover, we clean off the old sealant and degrease the surfaces. If you plan to use the lamp in a dry environment, you do not need to apply new sealant.
Having figured out how to fix a 220V LED lamp, it makes sense to deal with more complex devices, such as spotlights or chandeliers. Although there is not much difference in the work. Experts say that repairing LED floodlights is even easier, because the drivers and their parts are larger. We subscribe to this opinion. It only seems that such devices are more high-tech and more complex. In fact, having diagrams at hand (they are always contained in the technical documentation of a lighting device), for example, repairing an LED chandelier is quite simple. The same continuity of LEDs, driver details. After - the selection of suitable ones to replace the burned ones.
Important information! If the LED burns out and there is no suitable replacement at hand, you can slightly extend the life of the lighting device. The contacts of the burned-out element are bridged among themselves, and the lamp lights up again. But you should be prepared for the fact that after a short time it will go out again. The LED next to the bridged one will light up. If you continue to install the jumpers, the time between repairs will decrease exponentially.
If all the LED lighting in the bathroom goes out at the same time, you should start small. Remove the switch cover and check the voltage supply. If everything is in order, then the problem is in the power supply.
A bathroom is a room with high humidity, in which the use of 220 volt lighting fixtures is unacceptable. For this reason, a 12 volt power supply is installed. The reason that all the lighting stopped burning at once may be the failure of this device or a breakdown of the wiring, which is hardly realistic. You will have to buy such a block. Having dismantled the old block, we look at the technical parameters, purchase a stabilizer with similar characteristics and install it in place.
Important! All work on dismantling and installation of the stabilizing power supply is carried out only with the voltage removed. It is better to turn off the introductory machine. This is the only way to protect yourself from electric shock.
This is a common problem. It happens that people refuse to replace ordinary lighting in an apartment with LED due to the fact that when the light is off, the LEDs blink, in the manner of a stroboscope. There is only one reason for this - the backlight of the switch.
If the indicator is on, it is passing a certain amount of electricity through it, which does not have any effect on conventional lamps. But in the driver of LED lighting devices there is a capacitor that has the ability to store electricity and then give it out. He then collects this energy "bit by bit", and upon reaching a certain volume gives it in the form of a pulse to the LEDs.
The problem can be solved very simply - turn off the backlight on the switch. However, blinking due to the indication on the key is a consequence. And what's the reason? There are also no difficulties here. The reason is the incorrect connection of the chandelier sockets. It is known that when incandescent lamps are installed, zero goes to the thread of the base, and the phase goes to the center. The LEDs start blinking if this order is violated and the wiring is done incorrectly.
LED lighting continues to grow in popularity. But even with a decrease in prices for lighting devices based on them, they remain expensive. And why overpay if you can repair a light bulb or lamp with your own hands. You don't even need to purchase parts for this. You just don’t need to throw out those that are out of order. Then from two or three it will be possible to collect one worker.
We hope the information presented in our article will help the reader to save money on the purchase of lighting equipment. If you have any questions, you can ask them in the discussion below. And finally, we suggest watching a useful video on the topic:
Modern energy efficient LED bulbs are not cheap. But they also last longer than usual, and consume much less electricity. It's a shame when such a device fails. We are accustomed to the fact that lamps are disposable items that have to be thrown away after they burn out. The topic of this article is how you can bring such a lamp back to life with your own hands. Repair of LED lamps is possible! Moreover, this task is within the reach of even a person who is not particularly versed in electrics.
LED lamp saves your electricity bills significantly
LED devices significantly save energy, and at the same time provide full illumination. A 10-watt LED light bulb produces the same powerful light output as a 100-watt incandescent lamp. It turns out that this type of lighting fixture cuts your costs tenfold. Moreover, such devices are distinguished by their durability, unless, of course, they are produced in the Middle Kingdom.
To deal with a possible repair, you need to imagine how the device works. Things are a little more complicated here than in traditional Edison lamps. Each light source, a diode, consists of two semiconductors of different materials. One contains mainly electrons, the second - ions.
When an electric current is passed between semiconductors, energy is released with light radiation
These semiconductors are called LEDs. In the early days of this technology, devices could only emit green, yellow, and red light. For this reason, they were used in indicators. Modern technologies allow you to cover the entire spectrum and use warm and cold shades, which are dominated by blue or yellow-red.
Now directly about the lamp device. Outwardly, it differs little from a traditional light bulb. It has the same threaded base and is suitable for all types of luminaires. But inside the product has a complex structure.
Diagram of a 220 V LED lamp
The transparent shell of the cap hides the contact base, housing, driver and board with semiconductors. The task of the driver is to reduce the current of 220 volts, standard for our networks, to the value required for the operation of semiconductors. This power and control board can be arranged differently depending on the manufacturer's decision. To reduce their own costs, some not very decent manufacturers do not install stabilizers necessary for our networks on the boards. As a result, the light bulb shines very brightly, but not for long. One diode does not shine brightly enough, therefore, in the bulbs, they are grouped into several pieces on the board, combining them into one circuit. If one of the semiconductors is out of order, the entire lamp will not burn.
The transparent lamp cover on quality products is coated from the inside with a phosphor - a substance that enhances the glow. Such bulbs look frosted and opaque from the outside. Such products do not irritate the eyes, their glow is similar to natural sunlight.
For your information! In LED devices, power and light output are not directly related. When choosing a suitable lamp, you need to study the data on the packaging for the level of light radiation. It is measured in Lumens.
The circuit for the power supply of the LED lamp is not particularly complex.There are not many details: a pair of resistors and an anti-parallel connection of diodes. This type of connection allows you to protect against reverse voltage and increase the flicker frequency up to 100 Hz. Some lamps may only have one resistor installed.
220V LED lamp driver circuit
For a 220 volt network, a limiting capacitor is installed in the device on the rectifying bridge.
For your information! In principle, one of the semiconductors can be changed to a simple rectifier, but such a change reduces the flicker frequency to 25, and this negatively affects visual sensations.
Unfortunately, science has not yet invented eternal materials and engines, so sooner or later every device fails. And LED lamps are no exception.
On average, such a device can last 10 years. Special operating conditions and voltage fluctuations can shorten the lifespan of a light bulb. In the first case, it is clear that if the lamp is installed outdoors and operates in heat and frost or in a room with high humidity, it will last much less than usual. And voltage drops can, in principle, be dealt with by installing current rectifiers in a house or apartment. These devices are not cheap, and in practice they are used by few, but in vain, because not only the life of light bulbs is at stake, but also the safety of more expensive household appliances. The state of electrical networks in our country leaves much to be desired and it is unlikely that anything will change in the near future.
For your information! During operation, the power of semiconductors inevitably decreases, they gradually lose their capabilities.
author
Light sources of this category are in great demand on the modern market. They consume a small amount of energy, are durable and resistant to various external influences. However, any technical device can fail during operation. A factory defect, which may appear after the end of the official warranty period, cannot be ruled out. Do-it-yourself qualified repair of LED lamps will help to fix the problem at no extra cost. This article provides technologies for restoring device operability at home with step-by-step instructions and explanations.
It should be noted right away that lamps with such LEDs (filament) cannot be repaired. In them, the flask is filled with an inert gas, and the manufacturers keep the exact composition secret. High-quality reproduction of industrial technology at home is impossible.
They are all made from standard, inexpensive LEDs that can be purchased easily. Typical tools are suitable for checking and performing work operations. The simplest special devices for dismantling and subsequent assembly can be made by hand.
It makes no sense to study physical processes in detail. Suffice it to say that in this case the light source is a specialized semiconductor device. It emits light when applied to a constant voltage of several volts at a relatively low current strength. This means that rectification and limitation of the corresponding electrical parameters will be required. The presence of a p-n junction indicates the possibility of clarifying the operability using a typical test of a conventional diode.
A driver is an electronic circuit that rectifies the voltage, limits the current to its nominal value. The required number of LEDs is installed on a substrate with a heat sink for heat dissipation. The diffuser eliminates irregularities in the luminous flux and excessive brightness of individual emitting elements.
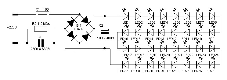
In this simplest 220V LED lamp driver circuitry, capacitor C1 together with resistor R1 reduce the voltage to the desired value. It is determined by the number of LEDs connected in series.On each of them, the voltage drop is about 3 V (the exact value is indicated in the technical data sheet of the device). After the diode bridge, the remaining ripple is smoothed out by the capacitor C2. Resistors R3, R4 limit the inrush current when connected to the power supply. When the lamp turns off, the parallel capacitor is quickly discharged through R2.
In the circuit under consideration, the simplest electronic components are used that rarely fail. According to statistics, the most often damaged electrolytic smoothing capacitor. Problems arise if parts are used "sparingly" without a voltage margin.
Insufficient quality soldered joints are also encountered. They are destroyed after several on / off cycles as a result of thermal expansion / contraction. Repair of LED lamps may be needed more often if they are installed in a room with high humidity. In lamps of this type, there are no contact groups that are damaged by the formation of a film of oxides. Therefore, here, too, the cause of breakdown will be defective soldering.
Sometimes heat dissipation is poorly organized. Under such conditions, LEDs are unable to perform their functions for a long time. It is unacceptable if a plastic fake is installed instead of a metal radiator. It makes sense to repair such products only with a complete replacement of unusable parts of the structure. In case of incompetent assembly, they "save" thermal paste or do not use it at all. In this case, even a high-quality aluminum radiator will not perform its functions with maximum efficiency.
To eliminate doubts, check 220 V directly in the cartridge. To do this, use a multimeter, a phase probe (a screwdriver with a built-in phase indicator), or screw in another workable lamp.
Unlike conventional incandescent lamps, semiconductor ice luminaires consume much less electricity and are therefore classified as economical. At the same time, the durability of their operation for some models of illuminators increases several times. Samples of modern models of LED ice lamps can be found in the figure below.
The circuit of a 220 V LED lamp is designed in such a way that the voltage at its output is reduced by the driver to the required value, which, as a rule, does not exceed 1.8-4.0 Volts (on each of the LEDs).
An LED light bulb is a semiconductor element that contains several layers responsible for converting the current flowing through them into visible light.
Important! When the composition of this layer changes, it generates radiation of a certain color (red, green, yellow or blue).
Since lamps that include LEDs must provide pure daylight, their developers had to use a little trick of covering the blue emitter with a yellow phosphor. In such a design, under the influence of photons in the blue range, the yellow phosphor begins to emit its own colorless radiation.
Due to various approaches to the assembly of semiconductor chips, it was possible to create the following types of LED emitters:
- DIP - LED lamps made on the basis of a crystal with a lens placed on top and two lead wires. This option is the most common in practice and is used to organize backlighting in various lighting devices;
- The so-called "Piranha", partially resembling the previous design, but having four leads. An increase in the number of contacts increases its reliability and improves heat dissipation (see figure below);
Additional Information. These LEDs are mostly used in the automotive industry.
- SMD-LED emitters can be placed on flat surfaces, due to which it is possible to reduce the dimensions of the luminaire, as well as improve heat dissipation properties. They are available in a wide variety of designs and are used in modern light sources;
- Products manufactured using COB technologies, according to which the chip is soldered directly into the board. Due to such a device, the semiconductor ice junction is reliably protected from oxidation and overheating. At the same time, the intensity of the diode luminescence increases significantly.
Note! The peculiarity of the above versions is that if the LED burns out, it will have to be changed completely, since it is impossible to repair these products by replacing a separate chip.
Another disadvantage of such LEDs is their small size, which forces them to be collected in groups of several pieces. In addition, the crystal built into them is gradually aging, as a result of which the brightness of the emitter ice decreases over time. Next, we will consider the device of a 220v LED lamp.
The device of a 220-volt LED lamp is not very complicated and may well be considered even at an amateur level. A classic 220 volt LED lamp includes the following mandatory elements:
- Carrying body with plinth;
- Special diffusing lens;
- Heat dissipating radiator;
- LED module;
- LED lamp drivers;
- Power Supply.
You can familiarize yourself with the structure of a 220-volt LED lamp (COB technology) in the figure below.
This LED device is manufactured as a whole and contains a large number of homogeneous crystals in its design, which are soldered during assembly to form multiple contacts. To connect it to the driver, it is enough to connect only one of the contact pairs (the rest of the crystals are connected in parallel).
In their shape, these products can be round and cylindrical, and they are connected to the network by means of a special threaded or pin base. For a public LED system, as a rule, luminaires are selected, the color temperature of which is 2700K, 3500K or 5000K (in this case, the spectrum gradations can take any values). Such devices are often used for decorative purposes and to illuminate advertising banners and billboards.
Let's take a closer look at the individual LED lamp modules.
In a simplified form, the driver circuit used to power the lamp from a 220 V network looks like it is shown in the figure below.
The number of parts in this device performing a matching function is relatively small, which is explained by the peculiarities of the circuit design. Its electrical circuit contains two damping resistors R1, R2 and LEDs HL1 and HL2 connected to them according to the anti-parallel principle.
Additional Information. Such switching on of the limiting elements ensures the protection of the circuit from reverse surges of the supply voltage. In addition, as a result of such switching on, the frequency of the signal arriving at the lamps doubles (up to 100 Hz).
The mains supply voltage with an effective value of 220 Volts is supplied to the circuit through the limiting capacitor C1, from which it is fed to the rectifier bridge, and then directly to the lamp.
On a note. The simplicity of the scheme of the matching device (driver) allows for the possibility of repairing it with your own hands.
A typical power supply circuit for an LED lamp is shown in the figure below.
This part of the lighting fixture is made in the form of a separate block and therefore can be freely removed from the case (for the purpose of repairing it with your own hands, for example). At the input of the circuit there is a rectifier electrolyte (capacitor), after which the pulsations with a frequency of 100 Hertz partially disappear.
Resistor R1 is required to form a capacitor discharge chain when the circuit is disconnected from the power source.
In case of failure of the simplest LED illuminator, made on the basis of individual LED elements, its repair can be done by hand. Self-repair of LED lamps and devices, the electrical circuits of which were discussed earlier, is reduced to a simple replacement of faulty blocks and parts.
The body of the product can be easily disassembled after it is carefully separated from the basement part. Inside the structure there is a board with working LEDs, the number of which differs from model to model (see photo below).
Note! For the widespread model of the MR 16 lamp, for example, the total number of LEDs is 27 1.5 volt cells.
In order to gain access to the printed circuit board with the diodes placed on it, it is enough to remove the protective glass lens by gently prying it off with a well-sharpened screwdriver.
After disassembling the LED product case, the following steps will need to be taken:
- Previously detected faulty (non-luminous) diodes will need to be replaced after an additional check. To assess their serviceability, you should use a measuring device (multimeter) included in the “Callback” mode;
Additional Information. You can check the health of the remaining elements that this wiring diagram contains by supplying them with a voltage of 1.5 to 2.5 Volts (serviceable diodes should light up when such a potential is applied).
- When testing with potentials of more than 5 Volts, a limiting resistor with a nominal value of about 4.7-5.1 Kom is connected in series with the element being tested;
- If all the diodes installed in the board are in good working order, but they constantly flicker during combustion, the reason for this may be a "breakdown" of the capacitor C1.
In order to make sure of this, you should check its nominal capacity with the same multimeter (you can find out how to do this in the instructions for use of the device). Another approach to solving this problem involves a simple replacement of the capacitor with another, obviously serviceable element, designed for a voltage of at least 400 volts.
To make an illuminator based on LEDs with your own hands, as they say, "from scratch" is a troublesome business and not suitable for everyone. It is easier to do this using an old lamp of this type that has already exhausted its resource.
In this case, a homemade LED lamp will be recruited from new elements, soldered onto a board removed from an old device or repaired. If there are working diodes on it, it will be necessary to replace the burnt out elements with new ones (preferably of the same type and design).
Note! In the manufacture of branded lamps, for reasons of profitability, the operating current of individual LEDs is selected with an extremely high value. When converting such a device, it is desirable to solder in series with each element a limiting resistance of the order of 1 Kom.
If necessary, to make a lamp with your own hands, you can use an old board with a driver circuit, replacing all faulty parts in it.
In the absence of the necessary boards and parts, the driver can be made, focusing on the power supply circuit discussed above, combined with the converter (see the figure above). When finalizing it, one more resistor should be added to it (we will designate it as R3), used to discharge the capacitor C2. The result will be the diagram below.
In addition to the resistor, two standard zener diodes (VD2, VD3) are added to it, ensuring its shunting when the load circuit is broken.
Additional Information. If you correctly select the stabilization voltage of the limiting diode, it will be quite possible to get by with one zener diode.
This driver circuit is designed to connect 20 colorless LEDs of a certain type.If their class or total number is different, the rating of the capacitor C1 should be changed so that the load current in the diode chain is at least 20 mA. The indicated value guarantees sufficient brightness of the glow of these devices.
As a supply to the driver circuit, as a rule, a node is used, which does not include a bulky transformer element (such a connection is called "direct"). The absence of a transformer greatly simplifies assembly of the module and reduces its size.
Important! But in this case, there is a real threat of high voltage hitting the circuit output (in the event of a breakdown of a number of series-connected elements, for example). The only consolation is that this rarely happens.
In the final part of the review, we note that the schematic diagrams of most of the LED products on sale almost do not differ from one another. Certain differences are observed only in the type of components used in them, as well as in the method of generating the output voltage carried out by the driver.
We add to this that LED lamps equipped with special drivers are reliably protected from voltage fluctuations in the network, and the radiator included in their composition protects the product from overheating. The use of self-made modules, due to their additional refinement, can significantly extend the service life of lighting devices assembled on their basis.
| Video (click to play). |



























